En mi experiencia, Una de las dudas #1 en instalaciones eléctricas es: ¿Dónde se conecta el neutro con la tierra?”
Esta unión no es arbitraria ni opcional. Tiene una razón técnica muy concreta relacionada con la seguridad eléctrica, la protección contra fallas y el correcto funcionamiento de los interruptores termomagnéticos.
De hecho, este tema está directamente relacionado con el Artículo 250, cuyo título es Puesta a tierra y unión. Así que en este artículo estaremos hablando de sistemas puestos a tierra.
Puede que esta norma aplique sólo a algunos países en específico, pero está basada en los principios fundamentales de la electricidad, así que “No importa si estás en México, EEUU u otro país: el principio eléctrico es el mismo.
Para entenderlo bien, primero aclaremos algunos conceptos fundamentales.
1. Conceptos básicos
La confusión, muchas veces nace por mezclar conceptos. Aquí se muestran algunas definiciones directo de la Norma Oficial Mexicana:
- A tierra: Conexión conductora, intencionada o accidental, entre un circuito o equipo eléctrico y el terreno natural o algún cuerpo conductor que sirva como tal.
- Conductor puesto a tierra: Conductor de un sistema o de un circuito, intencionadamente puesto a tierra (Este es el cable Neutro).
- Conductor de puesta a tierra de equipos: Trayectorias conductoras utilizadas para conectar las partes metálicas, que normalmente no conducen corriente, de todos los equipos y al conductor del sistema puesto a tierra o al conductor del electrodo de puesta a tierra o a ambos (Este es lo que comúnmente llaman tierra y es un cable verde).
- Conductor del Electrodo de puesta a tierra: Conductor utilizado para conectar el conductor puesto a tierra del sistema o el equipo, al electrodo de puesta a tierra o a un punto en el sistema del electrodo de puesta a tierra.
- Electrodo de puesta a tierra: Objeto conductor a través del cual se establece una conexión directa a tierra. (varilla, tubería, electrodo, etc.).
- Puente de unión principal: Conexión en la acometida entre el conductor del circuito puesto a tierra y el conductor de puesta a tierra del equipo.
2. Artículo 250 – Puesta a tierra y unión:
Desde el comienzo del artículo ya vemos que este sistema se separa en dos vertientes: “Puesta a tierra” y “Unión”. Son aplicaciones diferentes.
Cuando hablamos de puesta a tierra, nos referimos a conectar intencionalmente un punto del sistema eléctrico a la tierra física, es decir, al suelo, mediante uno o varios electrodos.

La unión (bonding), por otro lado, consiste en interconectar intencionalmente dos o más partes metálicas para que funcionen eléctricamente como una sola. Esto asegura que todos los elementos metálicos tengan el mismo potencial eléctrico y evita diferencias de voltaje peligrosas.

Ambos conceptos trabajan juntos, pero no son lo mismo, y cumplir cada uno correctamente es clave para la seguridad del sistema.
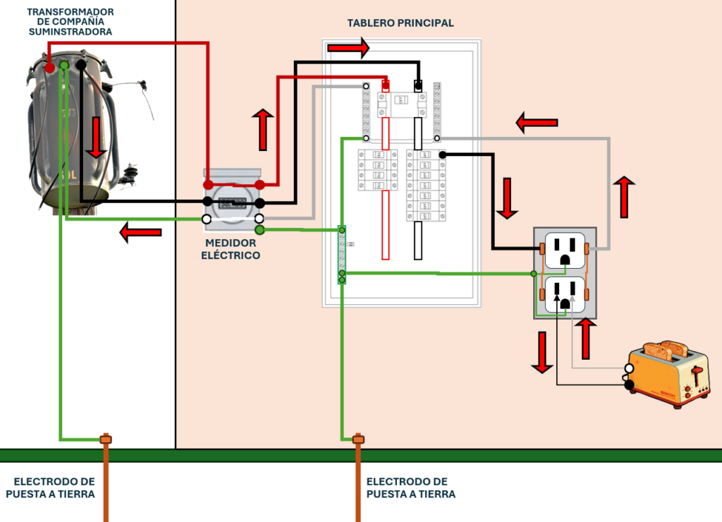
3. Cómo funciona un circuito en condiciones normales
En una instalación típica, la corriente eléctrica:
- Sale de la fuente (el transformador).
- Entra al tablero de servicio a través del conductor energizado.
- Viaja hasta la carga (por ejemplo, un contacto).
- Regresa por el conductor neutro.
- Vuelve nuevamente a la fuente.

Este punto es fundamental:
La corriente siempre busca regresar a su fuente. Regresa a su fuente por todos los medios disponibles. Un circuito solo funciona correctamente cuando existe una ruta completa de ida y regreso, lo que se conoce como circuito cerrado.
4. Qué ocurre durante una falla a tierra
Ahora imaginemos una falla: Un conductor energizado se suelta y entra en contacto con la carcasa metálica de un contacto o equipo. Esto provoca una falla a tierra, porque ahora hay corriente fluyendo por el cable de puesta a tierra o por los componentes metálicos que están conectados al electrodo de puesta a tierra.

Si el sistema está correctamente diseñado y el neutro y la tierra están unidos en el tablero principal, ocurre lo siguiente:
- La corriente de falla fluye desde la carcasa metálica.
- Pasa al conductor de puesta a tierra (Este conductor tiene una baja impedancia, normalmente entre 30-100 Ω)
- Llega a la barra de tierras del tablero.
- Cruza el puente de unión principal hacia el neutro.
- Regresa a la fuente.

Los interruptores termomagnéticos están diseñados para detectar corrientes anormales dentro de ese circuito y abrirlo cuando algo sale mal. Como este camino tiene muy baja impedancia, la corriente de falla es alta y repentina, lo que activa de inmediato la parte magnética del interruptor, abriendo el circuito y eliminando el peligro.
Este es el principio básico de protección contra fallas a tierra.
5. El problema de depender de la Tierra como camino de retorno
Ahora pensemos en el escenario opuesto:
¿Qué pasaría si no existiera la unión entre neutro y tierra?
En ese caso, la corriente de falla:
- Llega al electrodo de puesta a tierra.
- Entra literalmente al suelo.
- Intenta regresar a la fuente viajando a través de la Tierra hasta el electrodo del transformador.

Aquí aparece el gran problema. La norma establece que una buena puesta a tierra puede tener una resistencia máxima de 25 ohms. Usando un voltaje típico residencial de 127 V, la corriente que circularía sería aproximadamente:
I = V / R ≈ 127 V / 25 Ω ≈ 5 A
Esa corriente no es suficiente para disparar un interruptor termomagnético.
¿El resultado? La carcasa metálica queda energizada durante un tiempo indefinido, creando un riesgo real de electrocución o accidente.
Por eso en el artículo 250.4(A)(5), el código aclara algo clave: la tierra (el suelo) NO se considera un camino efectivo de falla. Entonces, si la falla NO debe depender del suelo, el retorno tiene que ser de baja impedancia y continuo hasta la fuente.
6. La razón fundamental para unir neutro y tierra
Por esta razón, el neutro y la tierra deben unirse en un solo punto del sistema, normalmente en el tablero principal o en el equipo de servicio.
Esta unión garantiza:
- Un camino de retorno de baja impedancia.
- Que la corriente de falla sea lo suficientemente alta.
- Que los interruptores detecten la anomalía y actúen rápidamente.
- Que funcionen correctamente protecciones como:
- Interruptores termomagnéticos.
- Protección por falla a tierra.
- Protección por falla de arco.
El sistema de protección eléctrica contra fallas a tierra se basa en este principio: permitir que la corriente de falla regrese a su fuente de forma controlada y segura para abrir la protección termomagnética.
Conclusión
La unión entre neutro y tierra no existe para que la corriente “se vaya a la tierra”, sino para asegurar que, ante una falla, exista una ruta eléctrica completa, predecible y de baja impedancia que permita proteger a las personas y a los equipos.
Entender esto marca la diferencia entre una instalación que aparenta funcionar y una instalación realmente segura.
